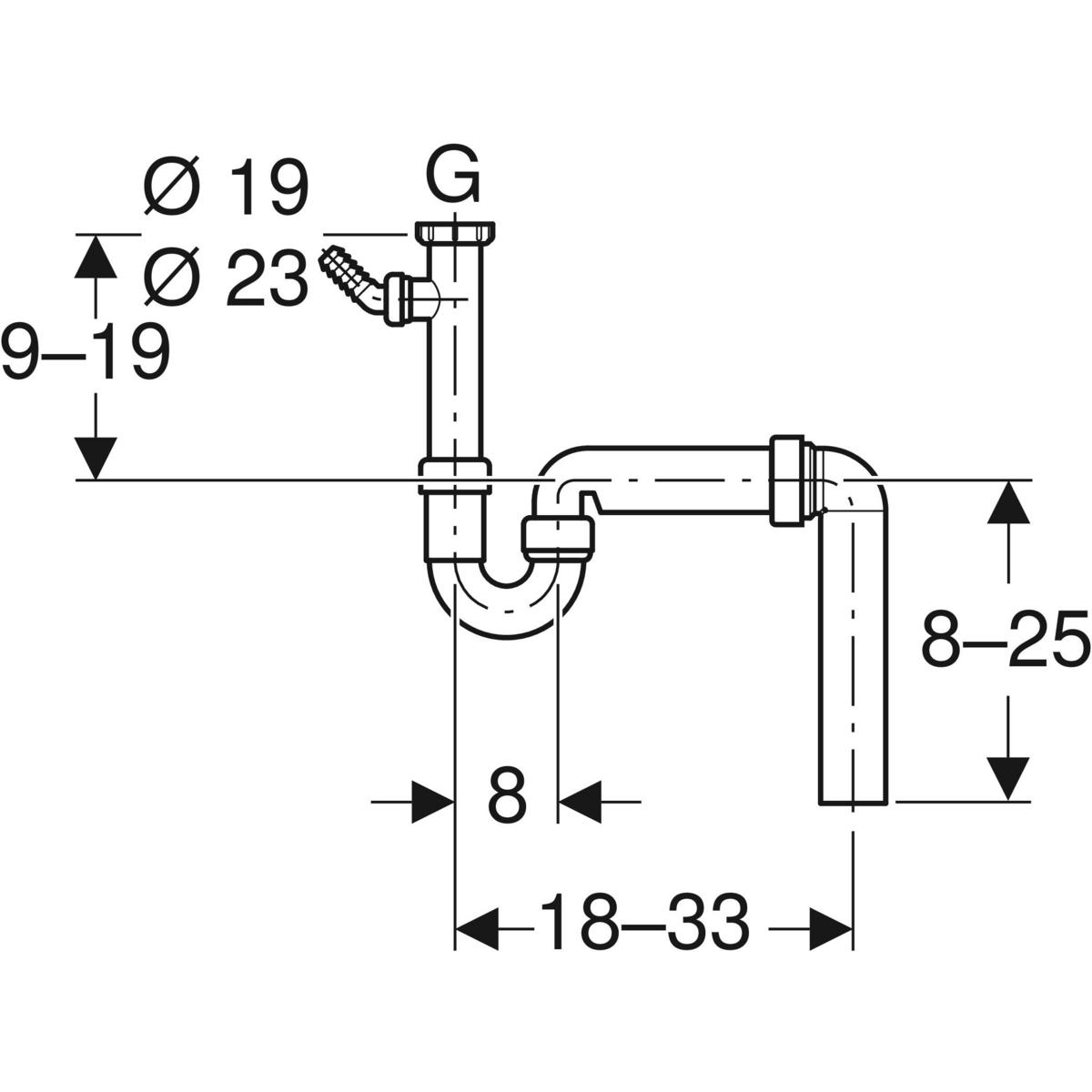
Kolenová zápachová uzávierka Geberit pre drez, s uhlovou hadicovou prípojkou, zvislý odtok
Účely použitia
– Pre pripojenie jednodielnych drezov
Vlastnosti
– Kontrola kvality podľa EN 274-3
– S prípojkou pre práčku alebo umývačku riadu
– Zvislý odtok
Technické údaje
– Materiál PP
Rozsah dodávky
– Vtokové hrdlo s prevlečnou maticou z PP, G 1 1/2″, s prídavnou prípojkou
– Uhlová hadicová prípojka z PP, ø 19/23 mm
– Pripájacie koleno 90° z PP
– Záslepka pre prípojku G 1″
